Array ( [cat_id] => 34 [cat_name] => 电能质量治理 [unique_id] => diannengzhiliang [parent_id] => 0 [url] => http://www./product/diannengzhiliang )
ZHXK-ZCL抗谐波智能电容器应用于0.4KV电力系统中,由智能测控单元、零投切开关、智能保护单元、低压自愈式电力电容器、干式串联电抗器组成一个独立完整的智能补偿单元。替代由智能无功控制器、投切开关、热继电器、低压电力电容器多种分散器件组装而成的低压自动无功补偿装置。用于谐波十分严重场合的无功补偿,能够可靠运行,不会产生谐振,对谐波无放大作用,并在一定程度上有吸收消除谐波的功能。产品广泛应用于工业厂房配电系统;居民小区配电系统;市政商业建筑;交通隧道配电系统;箱变、成套柜、户外配电箱等配电领域。
性能特点
智能测控:数据采集,快速实时采样,实现三相电流、三相电压、三相有功、无功、现在功率等电网参数的高精度测量、运算及诸波分析。
滤波功能:有效抑制高次谐波涌流,对高次谐波形成低阻抗通路。对谐波具有吸收泄放作用,能消除高次谐波对电容器的影响,减轻和抑制谐波电流和闪变电流。
智能投切:真正的零投切,无需晶闸管辅助电路,本系统采用CPU处理过零信号后的投切动作,实现过零投切、无涌流、无电弧、响应快,提高了设备的可靠性和使用寿命。
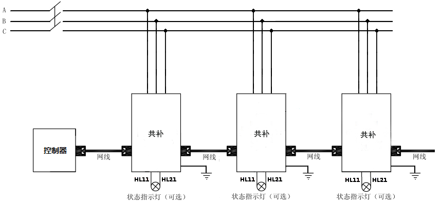
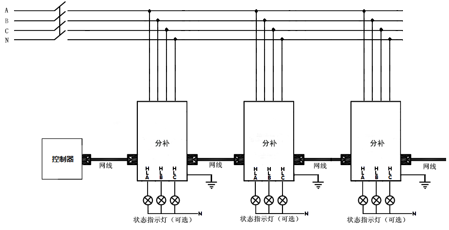
智能组网:485通讯接口,内置 MODBUS-RTU协议;可实现远程监控。产品可多台联机使用时,自动产生主机从机,构成无功自动控制系统。
故障处理;个别从机出现故障时自动退出,不影响其他机器工作。主机故障时自动退出,网络内再自动产生新的主机,组成新的系统工作,智能化程度极高。
安全可靠:匹配高性能电力电容器和串联电抗器,体积小、重量轻、高品质、低温升、低功耗、寿命长,从而保证了整机的安全性和可靠性。
节能降耗:采用模块化产品组装成的产品补偿装置,其体积有着明显的减小,即节能环保,又减少安装空间,接线简单,可以随时增加电容电容器的数量。
操作方便:采用液晶屏中文界面,实时显示当前电容器温度,电流电压及谐波参数,通过按键查询各种参数及设备运行状态,还可设置各类保护参数并存储,掉电效据不丢失。
方案原理
设计依据
GB/T 15576-2008《低压成套无功功率补偿装置》
GB/T 12747.1-2015《标称电压1KV及以下交流电力系统用自愈式并联电容器第1部分,总则一性能、试验和定额-安全要求一安装和运行导则》,
GB/T 29312-2012《低压无功功率补偿投切装置》
技术参数
|
工作电压 |
AC380V |
|
工作频率 |
50HZ |
|
功率 |
<0.5W(切除电容器时),<1W(投入电容器时) |
|
电压波形 |
正弦波,总畸变率≤5% |
|
配套电抗率 |
7% |
|
单组安装容量 |
≤70kVar |
|
相数 |
三相 |
|
系统额定电压 |
400V |
|
最小响应时间 |
动态:15ms |
|
电容器投切时隔 |
>10s |
|
控制准确率 |
100% |
|
电容器容量运行时间衰减率 |
≤1%/年 |
|
电容器容量投切衰减率 |
≤0.1%/万次 |
|
投切开关 |
动态:继电器、晶闸管开关 |
|
控制电压 |
动态:12VDC |
|
放电时间 |
带放电电阻t≤3min |
|
防护等级 |
户内柜式IP30 |
应用环境
本产品工作场所海拔不超过2000米,环境温度-25℃ ~ +55℃,相对湿度:日平均不大于95%,月平均不大于90%;大气压力:79.5Kpa ~ 106KPa。
本产品运行场所应具备无有害气体、可燃气体、蒸汽等污染,无导电性或者爆炸性尘埃,运行场所应无经常性的剧烈机械振动。
本产品户内使用运行,如果在特殊情况下户外使用,需加装保护壳,并参考相关标准保证保护壳的防护等级。
本产品避免长期在潮湿环境中放置,如受潮或者凝露,为避免短路,切忌第一时间通电试验,需在专业工程师指导下采取正确方法措施后进行故障排除。
型号含义
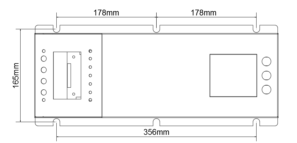
外观结构
选型参考
|
产品型号 |
容量(kVar) |
补偿方式 |
额定电压(V) |
外形尺寸(mm) |
安装尺寸(mm) |
|
ZHXK-ZCL-480-5-P7 |
5 |
共补 |
480 |
435*179*445 |
356*165 |
|
ZHXK-ZCL-480-10-P7 |
10 |
共补 |
480 |
435*179*445 |
356*165 |
|
ZHXK-ZCL-480-15-P7 |
15 |
共补 |
480 |
435*179*445 |
356*165 |
|
ZHXK-ZCL-480-20-P7 |
20 |
共补 |
480 |
435*179*445 |
356*165 |
|
ZHXK-ZCL-480-25-P7 |
25 |
共补 |
480 |
435*179*445 |
356*165 |
|
ZHXK-ZCL-480-30-P7 |
30 |
共补 |
480 |
435*179*445 |
356*165 |
|
ZHXK-ZCL-480-40-P7 |
40 |
共补 |
480 |
435*179*445 |
356*165 |
|
ZHXK-ZCL-480-50-P7 |
50 |
共补 |
480 |
435*179*445 |
356*165 |
|
ZHXK-ZCL-525-5-P14 |
5 |
共补 |
525 |
435*179*445 |
356*165 |
|
ZHXK-ZCL-525-10-P14 |
10 |
共补 |
525 |
435*179*445 |
356*165 |
|
ZHXK-ZCL-525-15-P14 |
15 |
共补 |
525 |
435*179*445 |
356*165 |
|
ZHXK-ZCL-525-20-P14 |
20 |
共补 |
525 |
435*179*445 |
356*165 |
|
ZHXK-ZCL-525-25-P14 |
25 |
共补 |
525 |
435*179*445 |
356*165 |
|
ZHXK-ZCL-525-30-P14 |
30 |
共补 |
525 |
435*179*445 |
356*165 |
|
ZHXK-ZCL-525-40-P14 |
40 |
共补 |
525 |
435*179*445 |
356*165 |
|
ZHXK-ZCL-280-5-3N-P7 |
5 |
分补 |
280 |
435*179*445 |
356*165 |
|
ZHXK-ZCL-280-10-3N-P7 |
10 |
分补 |
280 |
435*179*445 |
356*165 |
|
ZHXK-ZCL-280-15-3N-P7 |
15 |
分补 |
280 |
435*179*445 |
356*165 |
|
ZHXK-ZCL-280-20-3N-P7 |
20 |
分补 |
280 |
435*179*445 |
356*165 |
|
ZHXK-ZCL-280-25-3N-P7 |
25 |
分补 |
280 |
435*179*445 |
356*165 |
|
ZHXK-ZCL-280-30-3N-P7 |
30 |
分补 |
280 |
435*179*445 |
356*165 |
|
ZHXK-ZCL-280-40-3N-P7 |
40 |
分补 |
280 |
435*179*445 |
356*165 |
|
ZHXK-ZCL-300-5-3N-P14 |
5 |
分补 |
300 |
435*179*445 |
356*165 |
|
ZHXK-ZCL-300-10-3N-P14 |
10 |
分补 |
300 |
435*179*445 |
356*165 |
|
ZHXK-ZCL-300-15-3N-P14 |
15 |
分补 |
300 |
435*179*445 |
356*165 |
|
ZHXK-ZCL-300-20-3N-P14 |
20 |
分补 |
300 |
435*179*445 |
356*165 |
|
ZHXK-ZCL-300-25-3N-P14 |
25 |
分补 |
300 |
435*179*445 |
356*165 |
|
ZHXK-ZCL-300-30-3N-P14 |
30 |
分补 |
300 |
435*179*445 |
356*165 |
|
ZHXK-ZCL-300-40-3N-P14 |
40 |
分补 |
300 |
435*179*445 |
356*165 |
订货须知
电力系统图;
系统电压等级;
投切补偿容量;
极相(三相/单相)
补偿方式(共补/分补/混合补偿);
外观型状(金属外壳/不锈钢外壳);
负载性质;
特殊要求注明;