Array ( [cat_id] => 34 [cat_name] => 电能质量治理 [unique_id] => diannengzhiliang [parent_id] => 0 [url] => http://www./product/diannengzhiliang )
产品概述
ZHXK-ZC智能电容器应用于0.4KV电力系统中,是由智能测控单元、过零投切控制单元、智能保护单元、低压自愈式电力电容器组成一个独立完整的智能补偿单元。替代由智能无功控制器、投切开关、热继电器、低压电力电容器多种分散器件组装而成的低压自动无功补偿装置。具有补偿效果更好,体积更小,功耗更低,价格更廉,节约成本更多,使用更加灵活,维护更加方便,使用寿命更长,可靠性更高的特点,适应了现代智能电网对无功补偿的更高要求。产品广泛应用于居民小区配电系统;市政商业建筑;交通隧道配电系统;箱变、成套柜、户外配电箱等配电领域。
性能特点
智能测控:数据采集,快速实时采样,实现三相电流、三相电压、三相有功、无功、现在功率等电网参数的高精度测量、运算及诸波分析。
智能投切:真正的零投切,无需晶闸管辅助电路,本系统采用CPU处理过零信号后的投切动作,实现过零投切、无涌流、无电弧、响应快,提高了设备的可靠性和使用寿命。
智能组网:485通讯接口,内置 MODBUS-RTU协议;可实现远程监控。产品可多台联机使用时,自动产生主机从机,构成无功自动控制系统。
故障处理;个别从机出现故障时自动退出,不影响其他机器工作。主机故障时自动退出,网络内再自动产生新的主机,组成新的系统工作,智能化程度极高。
安全可靠:匹配高性能电力电容器,散热好、体积小、寿命长,从而保证了整机的安全性和可靠性。
节能降耗:采用模块化产品组装成的产品补偿装置,其体积有着明显的减小,即节能环保,又减少安装空间,接线简单,可以随时增加电容电容器的数量。
操作方便:采用液晶屏中文界面,实时显示当前电容器温度,电流电压及谐波参数,通过按键查询各种参数及设备运行状态,还可设置各类保护参数并存储,掉电效据不丢失。
方案原理

设计依据
GB/T 15576-2008《低压成套无功功率补偿装置》
GB/T 12747.1-2015《标称电压1KV及以下交流电力系统用自愈式并联电容器第1部分,总则一性能、试验和定额-安全要求一安装和运行导则》,
GB/T 29312-2012《低压无功功率补偿投切装置》
技术参数
|
工作电压 |
AC380V/220V士15% |
|
工作频率 |
50Hz |
|
容量 |
5~40kVar(超过40kvar需要特殊订制) |
|
电压波形 |
正弦波,总畸变率≤5% |
|
电容器投切时隔 |
>10S |
|
功率消耗 |
<0.5W(切除电容时)、<2W(投入电容时) |
|
保护功能 |
温度保护、缺相保护、过流保护、电压保护、电流保护、谐波保护 |
|
记忆功能 |
储存256条报警保护数据、投切次数记录 |
|
电压误差 |
≤0.5% |
|
电流误差 |
≤1.0% |
|
温度误差 |
±1℃ |
|
时间误差 |
±0.01s |
|
运行时间衰减率 |
≤1%/年 |
|
投切衰减率 |
0.4%/年 |
应用环境
本产品工作场所海拔不超过2000米,环境温度-25℃ ~ +55℃,相对湿度:日平均不大于95%,月平均不大于90%;大气压力:79.5Kpa ~ 106KPa。
本产品运行场所应具备无有害气体、可燃气体、蒸汽等污染,无导电性或者爆炸性尘埃,运行场所应无经常性的剧烈机械振动。
本产品户内使用运行,如果在特殊情况下户外使用,需加装保护壳,并参考相关标准保证保护壳的防护等级。
本产品避免长期在潮湿环境中放置,如受潮或者凝露,为避免短路,切忌第一时间通电试验,需在专业工程师指导下采取正确方法措施后进行故障排除。
型号含义
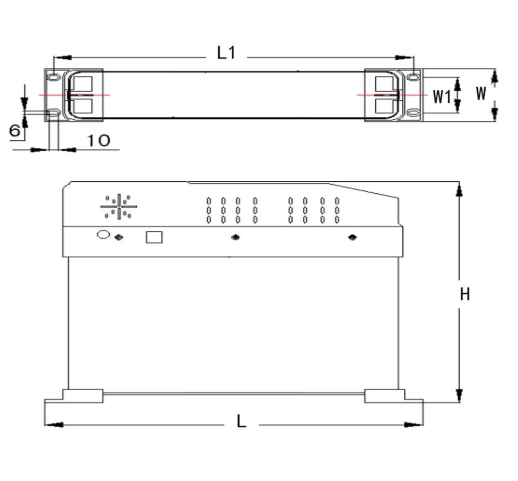
外观结构
选型参考
|
产品型号 |
额定电压(V) |
补偿方式 |
额定容量(kvar) |
尺寸(mm)L×W×H |
安装尺寸(L1*W1) |
|
ZHXK-ZC-450-5+5-3 |
450 |
共补 |
5+5 |
380*80*260 |
360*53 |
|
ZHXK-ZC-450-10+10-3 |
450 |
共补 |
10+10 |
380*80*260 |
360*53 |
|
ZHXK-ZC-450-10+15-3 |
450 |
共补 |
10+15 |
380*80*260 |
360*53 |
|
ZHXK-ZC-450-10+20-3 |
450 |
共补 |
10+20 |
380*80*290 |
360*53 |
|
ZHXK-ZC-450-20+20-3 |
450 |
共补 |
20+20 |
380*80*310 |
360*53 |
|
ZHXK-ZC-450-25+25-3 |
450 |
共补 |
25+25 |
380*80*350 |
360*53 |
|
ZHXK-ZC-450-5-3N |
250 |
分补 |
5 |
380*80*260 |
360*53 |
|
ZHXK-ZC-450-10-3N |
250 |
分补 |
10 |
380*80*260 |
360*53 |
|
ZHXK-ZC-450-15-3M |
250 |
分补 |
15 |
380*80*260 |
360*53 |
|
ZHXK-ZC-450-20-3N |
250 |
分补 |
20 |
380*80*280 |
360*53 |
|
ZHXK-ZC-450-25-3N |
250 |
分补 |
25 |
380*80*310 |
360*53 |
|
ZHXK-ZC-450-30-3N |
250 |
分补 |
30 |
380*80*330 |
360*53 |
订货须知
电力系统图;
系统电压等级;
投切组合容量;
极相(三相/单相)
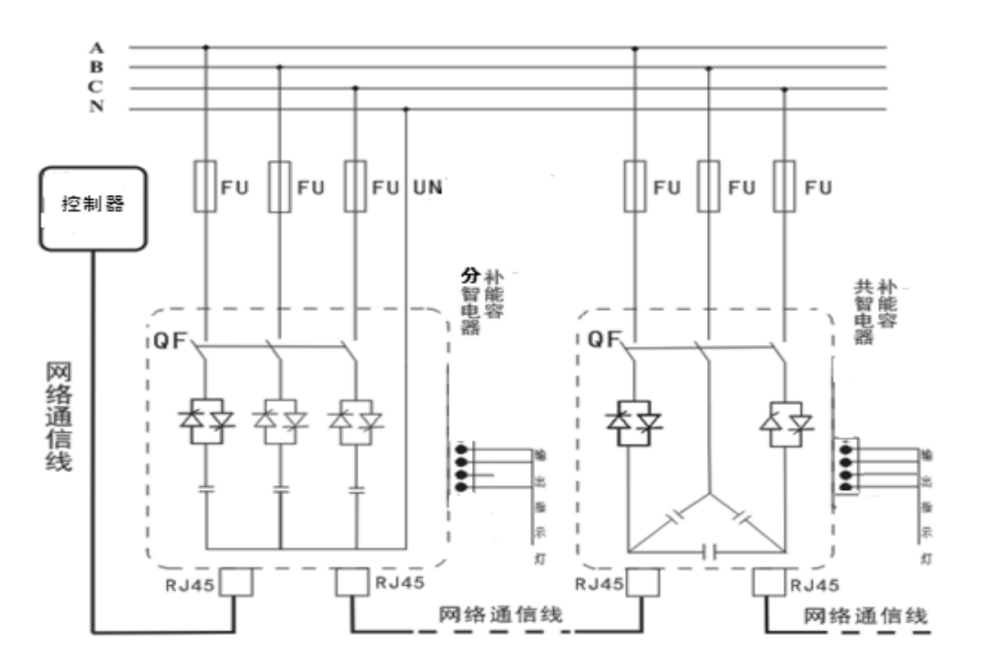
补偿方式(共补/分补/混合补偿);
外观型状(金属外壳/不锈钢外壳);
负载性质;
特殊要求注明;